Наведите для увеличения
Товар:
Есть в наличии
Миниатюрный поплавковый выключатель ПДУ-В241-50 предназначен для регулирования уровня жидкости в резервуаре, защиты насоса от сухого хода, автоматизации процесса наполнения/осушения резервуара.
Основные особенности:
- В зависимости от способа установки датчика выходной контакт замыкается или размыкается при понижении уровня жидкости
- Горизонтальное монтажное положение
- Малые габариты
- Широкий температурный диапазон
- Устойчивость к агрессивным средам
| Параметр | Значение |
|---|---|
| Рабочее положение | Горизонтальное |
| Материал корпуса | Нержавеющая сталь |
| Рабочая температура | −30…+110°С |
| Максимальное рабочее давление | 1 МПа |
| Максимальная коммутируемая мощность | 50 Вт |
| Максимальный коммутируемый ток | ≅0,5 |
| Максимальное коммутируемое напряжение | ≅220 В |
| Длина проводов | 390 мм |
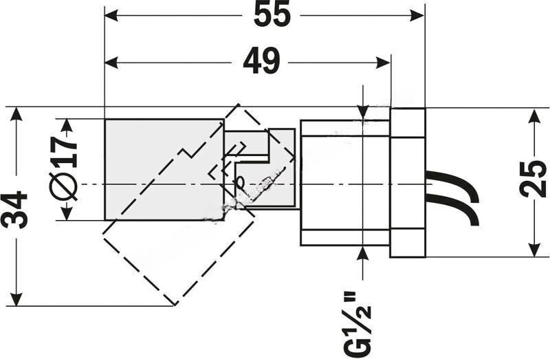
| Присоединение | G½" |
| Диаметр поплавка | 17 мм |
| Длина погружной части | 49 мм |
| Габаритные размеры | ∅ 25×55 мм |
| Вес | 53 г |
Габаритные размеры
