Железнодорожное оборудование и инструмент с доставкой по россии и снг!
Фундамент переездных сигналов ПС 31-130
Фундамент переездных сигналов ПС 31-130
Наведите для увеличения
Фундамент переездных сигналов ПС 31-130
Фундамент переездных сигналов ПС 31-130
Товар:
Есть в наличии

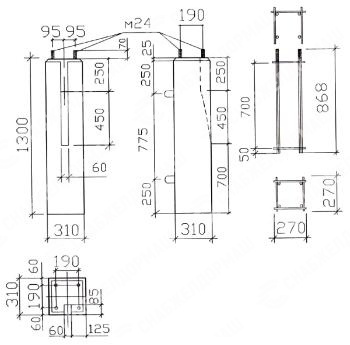
Фундамент переездных сигналов ПС 31-130 представляет собой железобетонное основание-стойку и служит для установки и монтажа светофора на железнодорожный переезд в ветровых районах I-V категорий.

ЖБ фундамент ПС 31-130 является цельной конструкцией, оснащённой закладными устройствами и элементами для обеспечения надежности крепления монтируемых устройств. На болты, выступающие на 70 мм над поверхностью фундамента, накручиваются гайки.

Характеристики изделия

В соответствии с ГОСТ 26633-91 фундамент переездного сигнала ПС 31-130 изготавливается из бетона B22,5. Все грани ЖБ основания имеют двойную обработку холодной битумной мастикой. Фундаменты данного типа могут эксплуатироваться в условиях повышенных ветровых нагрузок.

Морозостойкость: F200
Прочность на сжатие: B22,5
Водонепроницаемость: W4
Расход стали: ≈15,5 кг
Объём: 0,13 м³
Габариты (Д×Ш×В): 310×310×1300 мм
Вес: не более 286 кг