Наведите для увеличения
Товар:
Есть в наличии
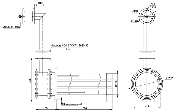
Нагреватель ВНУ-200В1.ЖD.12Т.П (ВНУ-200В1.ЖД.12Т.П) предназначен для подогрева жидкостей во взрывоопасных зонах. Большая площадь теплоотдачи позволяет эффективно нагревать жидкость, не превышая максимально установленной температуры. Встроенный регулятор контролирует и температуру жидкости, и температуру поверхности, поэтому в случае падения уровня жидкости нагреватель будет отключен. Крепление на кронштейнах, с питанием по штанге. Возможно также изготовление с меньшим числом труб ВНУ-400В1.ЖD.6Т.П.
Применение:
- Подогрев жидкостей в емкостях (масло, вода, нефть, топливо и т.д.)
- Защита от замерзания.
- Поддержание температурного режима.
Основные особенности:
- рабочее положение- полностью погруженное в нагреваемую среду.
- готовы к подключению.
| Параметр | Значение |
|---|---|
| Маркировка взрывозащиты | 2Exmb[ic]IICT3 X |
| Степень защиты | IP67 |
| Классы взрывоопасных зон | В-1а, В-1г |
| Категории взрывоопасных смесей | IIA, IIB, IIC |
| Температура окружающей среды | -60 +50 °C |
| Мощность | 2400Вт |
| Номинальное напряжение | 220V / 380V AC |
| Срок эксплуатации | 7 лет |
| Климатическое исполнение | УХЛ 2.1 |
Габаритные размеры
